싸이트주소
(마이페이지)
카테고리 :
■
콤바인
■
트렉타
■
이앙기
■
경운기
■
관리기
■
나머지
현재위치 :
Home
>>
트렉타
>>
국제트렉타+존디어트렉타
>>
등록책자
>>
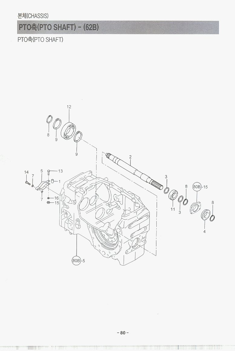
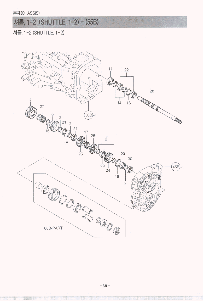
EF475_EF525_EF555_EF585
>>
44~83
목차
|
4~47엔진
|
52~93_엔진
|
4~43
|
44~83
|
84~127
|
128~159
|
160~185
|
186~221
|
로타리날_경운도
조인트모음