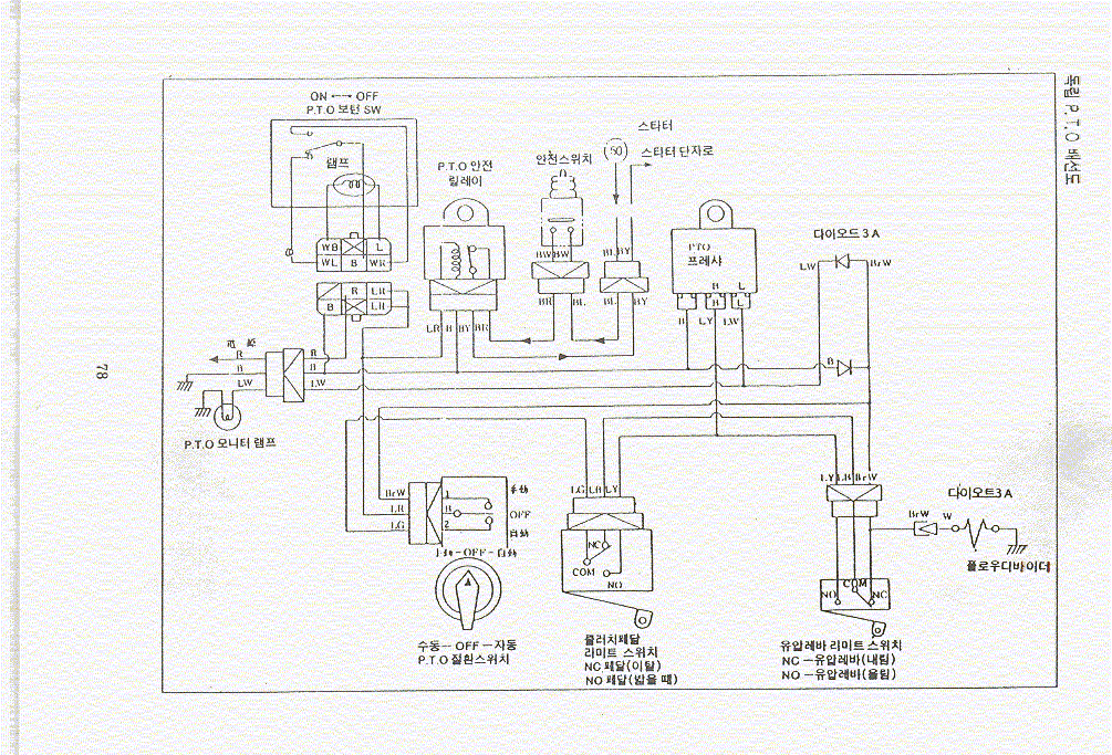
[NO_번호 : 4836] [수정일자 : 2025-09-15] PTO ON/OFF스위치모양동일시대부분공용
판매가
27100원 비회원 : 27100원
견출번호
4340 105-10
부품번호
156167433007
발송처
* 다사농기 28800원 2EA * 다사농기 27100원 5EA
구매하기
EA (현재 5EA 재고 있습니다.)
본상품포함
*동양트렉타 피디오가 안돌더라도 스위치 램프가 켜진다면 스위치접점은 고장아닙니다 다른곳을점검하세요
※첨부파일: PTO배선도
전화번호
궁금한 점을 등록하시면 확인 후 답변드립니다.
작성자
문의내용
평가점수