싸이트주소  (마이페이지) 

 


























현재위치 : Home

이전 다음

[NO_번호 : 42980] [수정일자 : 2025-09-20]
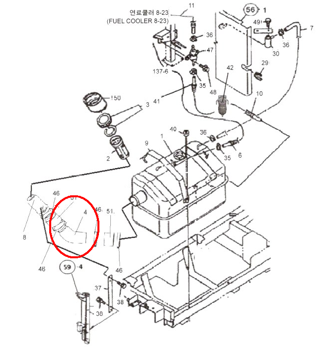
주유조인트_KC6130
KC6130

판매가

14300원
비회원 : 14300원

판매자

* 다사농기 14300원 1EA

구매하기

EA (현재 1EA 재고 있습니다.)

본상품포함  

 

 

전체선택 (재고확인)

연결호스_KC6130
(재고:2)

주유구_KC6130
(재고:1)

  
반도100_4in
(재고:108)

 

전화번호

궁금한 점을 등록하시면 확인 후 답변드립니다.